Description of Iron Oxide-rich Jasperoid Photos


Note: All photos have a field of view of 2.7 mm unless otherwise noted

Massive hematite fragment in jasperoid. Reflected, plane-polarized light

Massive and botryoidal hematite. Reflected, plane-polarized light. Field of view = 1.4 mm

Massive hematite with well developed boxwork texture. Reflected, plane-polarized light

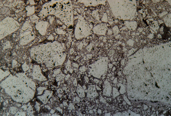
Breccia composed of massive hematite fragments in a quartz matriz. Reflected, plane-polarized light

Breccia composed of goethite fragments in a quartz matrix. Transmitted, plane-polarized light

Goethitic jasperoid composed of goethite spherules and interstitial clear quartz. Transmitted, plane-polarized light. Field of view = 1.35 mm

Gold grain (near center of photo) in hematite. Reflected, plane-polarized light. Field of view = 700 microns

Cubic pyrite grains pseudomorphically replaced by hematite. Reflected, plane-polarized light


Return to Pareja's Jasperoids page

Return to ODEX homepage